Tuesday September 1, 2015 at 12:02pm
How to engrave text on a tapered diametric face using Solidworks.
Sometimes it may be necessary to engrave text on a diametric
face which is a simple enough procedure: Create a plane tangential to the
diametric face, create some text constrained to a construction line and use the
wrap feature. However what happens if the text is required on a tapered
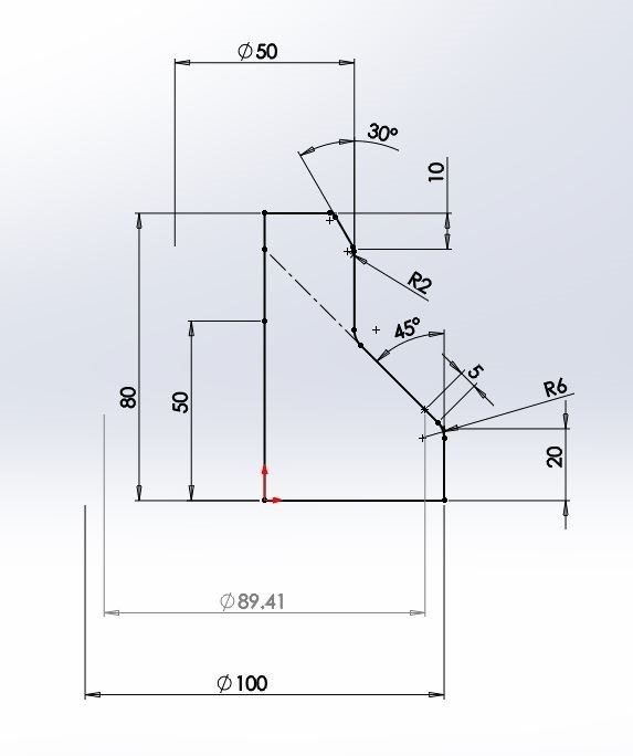
diametric face like in the image below?

If the same procedure is used then the letters fall off the
face, so to overcome this problem it is necessary to constrain the text to an
arc instead. The next issue is how big or small does the arc need to be and
where does the centre of the circle need to be placed? This example will run
through on the procedure to follow to create text in this scenario.
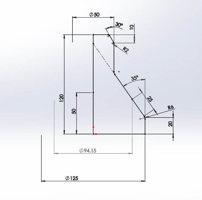
First it is necessary to draw a construction line that is
collinear to the tapered face that meets the centre of the revolve. You will
see why this is required later on. Then a point needs to be created where the
bottom of the text is required. A reference dimension is then added showing the
theoretical diameter at the bottom of the text, again we will see the benefit
of doing this later on.

A plane will then be created normal to the tapered diametric
face. From there an arc is created which has a centre point that intersects the
centre of rotation and the construction line we created, then in regards to the
diameter this wants to be coincidental to the point we created for the bottom
of the text.
Once the arc is created then how long should the arc be,
there is only a certain distance around the part to potentially engrave on. Remember
the reference dimension that was created, this is going to be used in aid to
calculate the circumference based around the diameter of which the point was created.
There is a way to measure the circumferential length of an
arc in a sketch. Firstly click on the arc, then click on the 2 end points of
the arc, this will bring up a dimension box to insert a given circumferential
length. However rather than manually inserting a value, a formula can be
created for this dimension input. Using the formula π x d to work out the
circumference of the circle, we will use the reference dimension of the
theoretical diameter where the point lies and multiply by π.

Once this is done please be sure to change all these line to
construction lines before proceeding as this will affect the wrap feature.

Once the work is done to create the arc then insert the
desired text onto that arc. Providing it fits on the arc then there will be
enough room to engrave the whole of the text. This is why the circumference was
calculated and assigned to the length of the arc.
The wrap feature can now be used, either to emboss or deboss
onto the tapered face.


Taking full advantage of knowing that the arc was created by
referencing off the initial sketch for the revolve feature, if dimensions are
changed in that sketch then the engraving should be still correct based upon
the new values used.

